ZHE JIANG BOGUANG ELECTRICAL TECHNOLOGY CO.,LTD. has been committed to product quality control and enterprise management "manufacturing high-quality goods, integrity service" is always our commitment to the customer. The company produces crystal sales of customers is the main power supply bureau, the company (hereafter called sacsc), mechanical and electrical equipment company, best-selling domestic provinces and cities autonomous regions, many times by the national key factory, export Europe and Africa southeast Asia etc, in use process to get the user high praise!
Outline
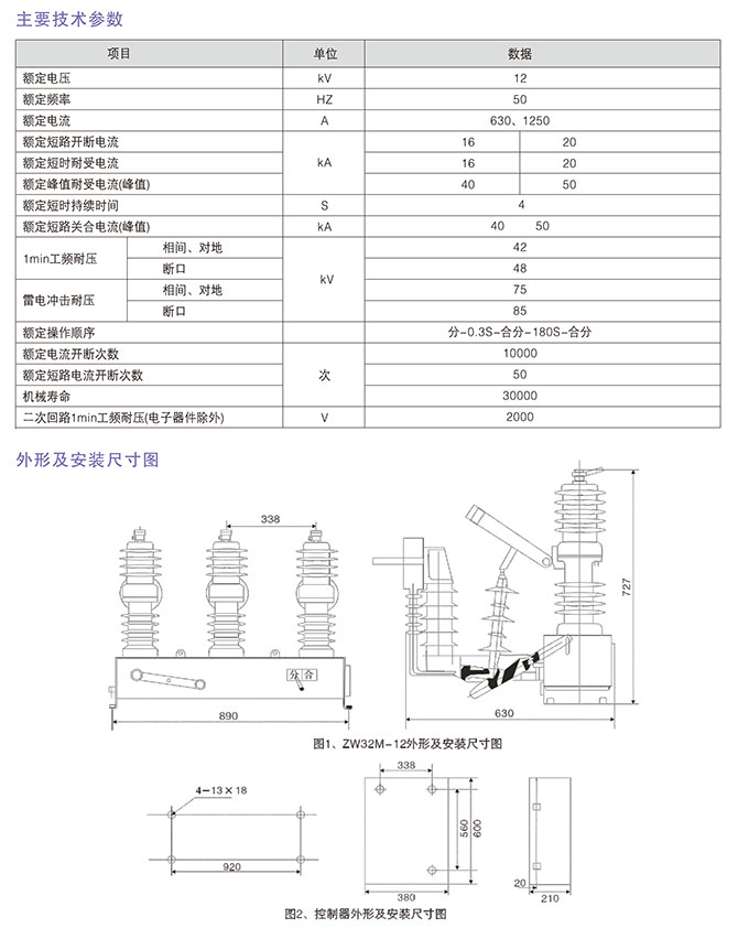
ZW32M-12 series outdoor high voltage permanent magnet vacuum circuit breaker is rated for 12kV, three-phase AC 50Hz outdoor distribution equipment. Mainly used for breaking, closing the system load current, overload current and short circuit current. For substation and industrial and mining enterprises distribution system protection and control of workplace use, and frequent operation of rural power grids.
Main Features
An intelligent control functions: The circuit breaker has local switch state control, three-stage overcurrent protection, three automatic reclosing and other functions, as well as RS-485 communication interface enables telemetry, remote adjustment, remote control, remote news other functions, suitable for all sizes of automated distribution system.
2, permanent magnet operating mechanism: The circuit breaker using the most advanced permanent magnet operating mechanism, not wear body parts, and its mechanical life of up to 30,000 times, is three times the normal spring mechanism. Due to the number of permanent magnetic actuator mechanical parts is reduced by 70% compared to the spring mechanism, the switch has been greatly improved reliability.
3, fully sealed design: vacuum interrupter of the circuit breaker operating mechanism and operating rod sealed in the circuit breaker base, solved the condensation breaker parts corrosion, maintenance-free products can be up to 10 years.
4, miniaturized structure: circuit breaker using the new composite solid insulating material, the vacuum interrupter, a leading electrical circuit, insulation supporting organically combined into an integrated solid seal pole, completely solve the vacuum interrupter miniaturization and meet external insulation required contradiction. Entire product design advanced and reasonable, compact structure, no internal condensation, organization no rust.

Copyright 2015 http://m.elecray.com.cn All Rights Reserved Technical support:Midian